• Aktuálna verzia: ZW3D 2026
  • Výrobca: ZWSOFT
  • Základný popis: ZW3D je "všetko-v-jednom", efektívny CAD/CAM software ktorý integruje navrhovanie dizajnu výrobkov, plechových dielov, reverzné inžinierstvo, tvorbu zostáv, návrh foriem a CNC obrábanie v jedninom produkte.
  • Jazykové verzie: CZ, EN, FR, GE, IT, PL, PT, RU, SP, TUR
  • Nativný formát súborov: Z3

ZW3D

ZW3D poskytuje inžinierom spoluprácu pri modelovaní od koncepčného návrhu až po hotové výrobky v jednom ľahko použiteľnom a jednotnom prostredí.

Minimálne Systémové požiadavky pre ZW3D 2026:
  • Operačný systém: Microsoft Windows 11, 10
  • CPU: Intel Core 2 Duo @2GHz
  • RAM: 4 GB
  • Grafická karta: 1280x1024 True Color, OpenGL 3.1, nVIDIA Quadro FX 580 @ 512MB

ZW3D varianty

  • ZW3D Lite

    ZW3D Lite je výkonný, efektívny a ľahko použiteľný 3D CAD software. Ponúka príjemné užívateľské rozhranie s pekným "ribonovým" štýlom a jasným priebehom práce s inteligentnými systémami riadenia projektu. A môže nielen priamo čítať a upravovať 3D modely z CATIA, NX, Creo, Inventor a Solidworks, ale tiež vie aj importovať a exportovať STEP, STL, IGES, Parasolid, DWG, DXF, SAT formáty.
    Postavený na výkonnom jadre OverdriveTM, ZW3D poskytuje Hybridný Modelovanie, ktoré umožňuje užívateľom bezproblémovú prácu s 3D telesami, s neobjemovými a otvorenými povrchmi
  • ZW3D Standard

    Pridáva do ZW3D Freeform modelovanie plôch triedy "A" a Morfing tvarov, Optimalizátor návrhu, Prepojenie na FEA, PDM, ... , Integrovanú PARTsolutions knižnicu dielov a Návrh plechových dielov
  • ZW3D Professional

    Pridáva do ZW3D Reverzné inžinierstvo a nástroje pre Návrh foriem (Dutina formy, Deliace čiary a plochy, Knižnicu foriem, Chladiace kanály, vodiace kolíky, vložky či elektródy )
  • ZW3D Premium

    Pridáva do ZW3D nástroje pre CAM obrábanie (2-osé sústruženie a frézovanie, Vŕtanie dier, Taktiku postavenú na auto vlastnostiach,3-osé frézovanie, Vysoko rýchlostné frézovanie, Smoothflow adaptívne riadenie posuvu, CAM zložku, Tabuľku automatického priradenie rýchloposuvu, ZW3D Post Processor, Správca CNC výstupu, Overenie telesa). Váše ZW3D CNC obrábanie môžete rozšíriť dokúpením modulu pre 4 a 5 - osé obrábanie

Licencovanie ZW3D

Samostatná licencia

Licenciu je možné nainštalovať a aktivovať len na jednom počítači.

Sieťová plávajúca NET licencia

ZWCAD LicensingSieťové licencie nie sú viazané na konkrétnu pracovnú stanicu alebo inštaláciu, ale centrálny server dynamicky a okamžite prideľuje sieťovú licenciu z množiny voľných licencií akonáhle sa spustí produkt ZW3D vo vašej sieti. ZW3D teda môžete inštalovať na ľubovoľný počet počítačov, pričom o sprístupnenie licencie sa stará licenčný server.

 

Výhody sieťovej licencie
- Licencie môžete volne prenášať na rôzne počítače.
- Licencie môžete "požičať" na počítač či notebook - a používať tak licenciu mimo siete či internetu.
- Licencie pracovnej stanice môžete inštalovať a konfigurovať zo zdieľaného adresára.
- Nastavením VPN (Virtual Private Network) môžete licencovať ZW3D na "veľké vzdialenosti".

Ochrana licencie

Softwarovým spôsobom

Ochrana licencie je riešená softwarovým spôsobom. Prenos licencie na iný počítač je riešený pomocou správcu licencie.
ZWCAD Licensing SW

Pomocou USB kľúča

Ochrana licencie je riešená hardwarovým spôsobom pomocou USB kľúča. Prenos licencie na iný počítač je riešený prenesením USB kľúča.
ZWCAD Licensing USB

ZW3D - Download

Dostupné soubory:
ZW3D 2026 OBLÍBENÉ
Velikost 3.68 GB Datum 10-06-2025

30 denní plně funkční zkušební verze ZW3D 2026 - pro 64.bit Windows.
All-in-one CAD/CAM řešení - zahrnuje všechny konstrukční a výrobní moduly pro ty, kteří potřebují nekompromisní řešení. Je to komplexní, jednorodé prostředí, představující samostatné a plně vybavené CAD/CAM řešení.

 

 

Zdieľanie dát

ZW3D Data Sharing

Predstavenie jadra ZW3D - Hybridné modelovanie

  • Vďaka jedinečnému OverdriveTM jadru, technológia hybridného modelovania umožňuje logické operácie medzi geometriou telesa a geometriou plochy, čo činí modelovanie oveľa pružnejším ako pri práci len s telesami.
  • Automatický prenos geometrie uzavrenej plochy do modelu telesa.
  • Vytváranie plôch triedy "A" zo siete kriviek a súčasná podpora parametrického a neparametrického modelovania.

ZW3D - hybrid Modelling

Prevod 2D dat do 3D modelov

  • Import DWG/DXF súborov do ZW3D a tvorba 3D modelov na základe týchto 2D dát.
  • Presun vlastností umožní rýchlu a evektivní tvorbu 3D pohľadov z 2D pohľadov.

 ZW3D - Convert 2D to 3D

Priama editácia

  • Na natívnej alebo importovanej geometrii môžete rýchlo a efektívne upravovať vlastnosti aj bez regenerácie histórie.
  • Výberom geometrie na modeli ju môžete jednoduchým príkazom priamo kopírovať, posúvať, odsadiť, predĺžiť, zaobliť alebo skosiť.

 ZW3D - Direct Edit

Flexibilné deformácie

    class="list-arrow arrow-red">
  • V ZW3D možno deformovať akékoľvek teleso, plochu krivku alebo bodové dáta.
  • Pre morphing tvarov sú k dispozícii rôzne metódy, ako morphing tvaru bodom/krivkou/odsadením/krivku ku krivke.
  • Nová funkcia Obaliť činí navrhovanie ešte efektívnejšie a zaujímavejšie.

 ZW3D - Flexible Deformation

Konverzia rastrových obrázkov na 3D modely

  • ZW3D umožňuje konvertovať rastrové obrázky na 3D modely. Je to tiež jedna z výhod modelovania v ZW3D.

 ZW3D - Convert Images to 3D Models

Vynikajúca schopnosť liečenia

  • Analýza a liečenie rôznych druhov topologických podmienok, vrátane prasklín, medzier, nezodpovedajúcich vrcholov a drobných hrán.
  • Zobrazenie informácií o otvorených hranách pomôže identifikovať aj tie najmenšie defekty.
  • Rýchle vyplnenie medzier novými povrchmi.

 ZW3D Healing Capacity

3D popisovanie

  • Pridávanie 3D poznámok do modelov, vrátane vzdialeností, polomerov a uhlov.
  • Pri otvorení výkresu sa vždy zobrazia a sprehľadní následnú komunikáciu.

 ZW3D 3D Annotation

Reverzné inžinierstvo

  • Práca s STL, mračnom bodov a skenovanými dátami umožní vytvorenie plôch a 3D modelov.
  • Podpora 3D tlačiarní.

 ZW3D Reverse Engineering

Plechové diely

  • Jednoduché vytváranie množstva rôznych vlastností plechového dielu, ako sú napríklad: príruby, profilové ohyby, jamky alebo odtlačky.
  • Pri plechových dieloch možno ľahko použiť funkcie pre zbalenie/rozbalenie dielu.

 ZW3D - Sheet Metal

Integrovaná knižnica PartSolutions

  • Ponúka rozsiahlu databázu množstvo štandardných súčiastok podľa noriem ANSI, BSI, CSN, DIN, EN, GB, GOST, ISO, JB, JIS, KS, NF, PN, UNI a ďalších, vrátane tých najznámejších svetových dodávateľov.
  • Knižnica PARTsolutions je v ZW3D obsiahnutá bez príplatku

 ZW3D PartSolutions

Navrhovanie zostáv

  • Jednoduchá práca s rozsiahlymi zostavami, vrátane navrhovanej zhora nadol (top-down) a zdola nahor (bottom-up).
  • Multi-objektové riadenie súborov spriehľadňuje informácie zostavy a uľahčuje riadenie dielov zostavy.
  • Nástroje pre kontrolu kolízií, posúvanie a animáciu dielov pomáhajú návrhárom overiť, či je zostava funkčná a bez chýb.

 ZW3D Assembly Design

Kontrola kolízií

  • Pomocou funkcie rozhrania pre kontrolu overíte či nedochádza ku kolíziám medzi dielmi zostavy. Objem a plocha presahu sa potom zvýrazní.
  • Pre znázornenie presahov a kolízií vnútri zostavy ktoré nemožno preskúmať z vonka - môžete preskúmať v reze 3D modelom zostavy, v ktorom možno okrem iného tiež štandardne modelovať
  • Nástroj pre posúvanie dielov Vám pomôže skontrolovať či sa diely pohybujú v očakávaných medziach a bez kolízie.

 ZW3D - Interference Check

Simulovaná animácia

  • Skontrolujte, či je pohyb dielov zostavy v súlade s definovanými väzbami.
  • Vytvorte animáciu znázorňujúci proces montáže alebo demontáže.

 ZW3D - Simulated Animation

Rendrovanie

  • Umožňuje návrhárom na diel aplikovať externý súbor s mapou textúry.
  • K dispozícii je množstvo kovových textúr, ako je hliník, bronz, zlato a striebro.
  • Pomocou Artisan renderu môžu používatelia vytvárať ešte reálnejšie fotorealistické výstupy

 ZW3D - Rendering

2D výkresy

  • Automatické vytváranie 2D asociatívnych pohľadov, rezov a detailov.
  • Vytváranie rozložených pohľadov zostavy, detailných pohľadov, pohľadov konfigurácie a pohľadov stavu histórie.
  • Generovanie výpisu materiálu - kusovníka, tabuliek dier, alebo elektród s automatickými pozíciami.
  • Jednoduché prispôsobenie šablón 2D výkresu a kresliacich noriem.

 ZW3D - 2D Sheet

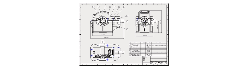
Kusovník

  • Zjednodušená komunikácia cez rýchle vytváranie 2D rozvržení a detailných výkresov.
  • Automatické generovanie tabuliek kusovníka a tabuliek dier.

 ZW3D - BOM

  • Aktuální verze: ZW3D 2026
  • Výrobce: ZWSOFT
  • Základní popis: ZW3D je "vše-v-jednom", efektivní CAD/CAM software který integruje navrhování designu výrobků, plechových dílů, reverzní inženýrství, tvorbu sestav, návrh forem a CNC obrábění v jedniném produktu.
  • Jazykové verze: CZ, EN, FR, GE, IT, PL, PT, RU, SP, TUR
  • Nativní formát souborů: Z3

ZW3D

ZW3D poskytuje inženýrům spolupráci při modelování od koncepčního návrhu až po hotové výrobky v jednom snadno použitelném jednotním prostředí.

Minimální Systémové požadavky pro ZW3D 2026:
  • Operační systém: Microsoft Windows 11, 10
  • CPU: Intel Core 2 Duo @2GHz
  • RAM: 4 GB
  • Grafická karta: 1280x1024 True Color, OpenGL 3.1, nVIDIA Quadro FX 580 @ 512MB

ZW3D varianty

  • ZW3D Lite

    ZW3D Lite je výkonný, efektivní a snadno použitelný 3D CAD software. Nabízí příjemné uživatelské rozhraní s pěkným "ribonovým" stylem a jasným průběhem práce s inteligentními systémem řízění projektu. A může nejenom přímo číst a upravovat 3D modely z CATIA, NX, Creo, Inventor a Solidworks, ale také umí i importovat a exportovat STEP, STL, IGES, Parasolid, DWG, DXF, SAT formáty.
    Postaven na výkonném jádru OverdriveTM, ZW3D poskytuje Hybridní Modelování, které umožňuje uživatelům bezproblémovou práci s 3D tělesy, s neobjemovými a otevřenými povrchy.
  • ZW3D Standard

    Přidává do ZW3D Freeform modelování ploch třídy "A" a Morfing tvarů, Optimalizátor návrhu, Propojení na FEA, PDM, ..., Integrovanou Partsolutions knihovnu dílů a Návrh plechových dílů
  • ZW3D Professional

    Přidává do ZW3D Reverzní inženýrství a nástroje pro Návrh forem (Dutina formy, Dělící křivky a plochy, Knihovnu forem, Chladící kanály,vodící kolíky, vložky či elektrody)
  • ZW3D Premium

    Přidává do ZW3D nástroje pro CAM obrábění (2-osé soustružení a frézování, Vrtání děr, Taktiku postavenou na auto vlastnostech,3-osé frézování, Vysoko rychlostní frézování, Smoothflow adaptivní řízení posuvu, CAM složku, Tabulku automatického přiřazení rychloposuvu, ZW3D Post Processor, Správce CNC výstupu, Ověření tělesa). Vaše ZW3D CNC obrábění můžete rozšířit dokoupením modulu pro 4 a 5 - osé obrábění

Licencování ZW3D

Samostatná licence

Licenci je možné nainstalovat a aktivovat pouze na jednom počítači.

Siťová plovoucí NET licence

ZWCAD LicensingSíťové licence nejsou vázány na konkrétní pracovní stanici nebo instalaci, ale centrální server dynamicky a okamžitě přiděluje síťovou licenci z množiny volných licencí jakmile se spustí produkt ZW3D ve vaší síti. ZW3D tedy můžete instalovat na libovolný počet počítačů, přičemž o zpřístupnění licence se stará licenční server.

 

Výhody síťové licence
- Licence můžete volně přenášet na různé počítače.
- Licence můžete "vypůjčit" na počítač či notebook - a používat tak licenci mimo sítě či internetu.
- Licence pracovní stanice můžete instalovat a konfigurovat ze sdíleného adresáře.
- astavením VPN (Virtual Private Network) můžete licencovat ZW3D na "velké vzdálenosti".

Ochrana licence

Softwarovým způsobem

Ochrana licence je řešena softwarovým způsobem. Přenos licence na jiný počítač je řešen pomocí správce licencie.
ZWCAD Licensing SW

Pomocí USB klíče

Ochrana licence je řešena hardwarovým způsobem pomocí USB klíče. Přenos licence na jiný počítač je řešen přenesením USB klíče.
ZWCAD Licensing USB

ZW3D - Download

ZW3D 2026 OBLÍBENÉ
Velikost 3.68 GB Datum 10-06-2025

30 denní plně funkční zkušební verze ZW3D 2026 - pro 64.bit Windows.
All-in-one CAD/CAM řešení - zahrnuje všechny konstrukční a výrobní moduly pro ty, kteří potřebují nekompromisní řešení. Je to komplexní, jednorodé prostředí, představující samostatné a plně vybavené CAD/CAM řešení.

 

 

Sdílení dat

ZW3D Data Sharing

Představení jádra ZW3D - Hybridní modelování

  • Díky jediněčnému OverdriveTM jádru, technologie hybridního modelování umožňuje logické operace mezi geometrii tělesa a geometrií plochy, což činí modelování mnohem pružnější jako při práci s tělesy.
  • Automatický přenos geometrie uzavřené plochy do modelu tělesa.
  • Vytváření ploch třídy "A" ze sítě křivek a současná podpora parametrického a neparametrického modelování.

ZW3D - hybrid Modelling

Převod 2D dat do 3D modelů

  • Import DWG/DXF souborů do ZW3D a tvorba 3D modelů na základě těchto 2D dat.
  • Přesun vlastností umožní rychlou a evektivní tvorbu 3D pohledů z 2D pohledů.

 ZW3D - Convert 2D to 3D

Přímá editace

  • Na nativní nebo importované geometrii můžete rychle a efektivně upravovat vlastnosti i bez regenerace historie.
  • Výběrem geometrie na modelu ji můžete jednoduchým příkazem přímo kopírovat, posouvat, odsadit, prodloužit, zaoblit nebo zkosit.

 ZW3D - Direct Edit

Flexibilní deformace

  • V ZW3D lze deformovat jakékoliv těleso, plochu křivku nebo bodová data.
  • Pro morphing tvarů jsou k dispozici různé metody, jako morfphing tvaru bodem/křivkou/odsazením/křivku ke křivce.
  • Nová funkce Obalit činí navrhování ještě efektivnější a zajímavější.

 ZW3D - Flexible Deformation

Konverze rastrových obrázků na 3D modely

  • ZW3D umožňuje konvertovat rastrové obrázky na 3D modely. Je to také jedna z výhod modelování v ZW3D.

 ZW3D - Convert Images to 3D Models

Vynikající schopnost léčení

  • Analýza a léčení různých druhů topologických podmínek, včetně prasklin, mezer, neodpovídajících vrcholů a drobných hran.
  • Zobrazení informací o otevřených hranách pomůže identifikovat i ty nejmenší defekty.
  • Rychlé vyplnění mezer novými povrchy.

 ZW3D Healing Capacity

3D popisování

  • Přidávání 3D poznámek do modelů, včetně vzdáleností, poloměrů a uhlů.
  • Při otevření výkresu budou se vždy zobrazí a spřehlední následnou komunikaci.

 ZW3D 3D Annotation

Reverzní inženýrství

  • Práce s STL, mračnem bodů a skenovanými daty umožní vytvoření ploch a 3D modelů.
  • Podpora 3D tiskáren.

 ZW3D Reverse Engineering

Plechové díly

  • Snadné vytváření množství různých vlastností plechového dílu, jako jsou například: příruby, profilové ohyby ,důlky nebo otisky.
  • U plechových dílů lze snadno použít funkce pro sbalení/rozbalení dílu.

 ZW3D - Sheet Metal

Integrovaná knihovna PartSolutions

  • Nabízí rozsáhlou databázi množství normalizovaných dílů podle norem ANSI, BSI, CSN, DIN, EN, GB, GOST, ISO, JB, JIS, KS, NF, PN, UNI a dalších, včetně těch nejznámějších světových dodavatelů.
  • Knihovna PartSolutions je v ZW3D obsažena bez příplatku

 ZW3D PartSolutions

Navrhování sestav

  • Snadná práce s rozsáhlými sestavami, včetně návrhování shora dolů (top-down) a zdola nahoru (bottom-up).
  • Multi-objektové řízení souborů spřehledňuje informace sestavy a usnadňuje řízení dílů sestavy.
  • Nástroje pro kontrolu kolizí, posouvání a animaci dílů pomáhají návrhářům ověřit, zda je sestava funkčná a bez chyb.

 ZW3D Assembly Design

Kontrola kolizí

  • Pomocí funkce rozhraní pro kontrolu ověříte zda nedochází ke kolizím mezi síly sestavy. Objem a plocha přesahu se pak zvýrazní.
  • Pro znázornění přesahů a kolizí uvnitř sestavy které nelze prozkoumat z vnějšku - můžete prozkoumat v řezu 3D modelem sestavy, ve kterém lze mimo jiné také standardně modelovat.
  • Nástroj pro posouvání dílů Vám pomůže zkontrolovat zda se díly pohybují v očekávaných mezích a bez kolize.

 ZW3D - Interference Check

Simulovaná animace

  • Zkontrolujte, zda je pohyb dílů sestavy v souladu s definovanými vazbami.
  • Vytvořte animaci znázorňující proces montáže nebo demontáže.

 ZW3D - Simulated Animation

Rendrování

  • Umožňuje návrhářům na díl aplikovat externí soubor s mapou textury.
  • K dispozici je množství kovových textur, jako je hliník, bronz, zlato a stříbro.
  • Pomocí Artisan renderu mohou uživatelé vytvářet ještě reálnější fotorealistické výstupy

 ZW3D - Rendering

2D výkresy

  • Automatické vytváření 2D asociativních pohledů, řezů a detailů.
  • Vytváření rozložených pohledů sestavy, detailních pohledů, pohledů konfigurace a pohledů stavu historie.
  • Generování výpisu materiálu - kusovníku, tabulek děr, nebo elektrod s automatickými pozicemi.
  • Snadné přizpůsobení šablon 2D výkresu a kreslících norem.

 ZW3D - 2D Sheet

Kusovník

  • Zjednodušená komunikace přes rychlé vytváření 2D rozvržení a detailní výkresy.
  • Automatické generování tabulek kusovníku a tabulek děr.

 ZW3D - BOM

Go to top